Fujitec is a leading company of the screw fastener.
It jumps to the text on the page.
Home
>
products
>
Maltiple Escapement Options
>
2-axis escape
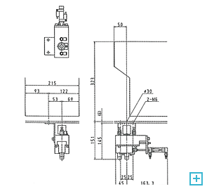
F10002-00
Vis Setter (MK-3150V)
Vis Setter (MK-3020)
Handy
Stand
Screw Oriving Motors & Controllers
Screw Fastener Robots
2-axis escape